Antistatik Bürstenleiste Aluminium mit Carbonfaser 1 Meter, 15 mm Faserhöhe


Preis:
Sonderpreis€49,80

inkl. MwSt. Versandkosten werden im Checkout berechnet.

Lagerbestand:
Auf Lager

Sicher bezahlen mit:

Beschreibung

Antistatik-Leistenbürste – kontrolliertes Ableiten elektrostatischer Ladung

Elektrostatische Aufladung entsteht häufig durch das Aneinanderreiben von Oberflächen oder das ruckartige Trennen fest anliegender Materialien. In industriellen Prozessen kann dies zu Funkenbildung, Explosionsgefahr, Produktionsstörungen oder Ausfällen sensibler Anlagen führen.

Die Antistatik-Leistenbürsten sorgen für ein zuverlässiges und kontrolliertes Ableiten elektrostatischer Spannung direkt am Entstehungsort. Über feinste Carbon- oder Edelstahlfasern wird die Ladung sicher aufgenommen und über den leitfähigen Aluminiumkörper gezielt auf Masse abgeführt. Dadurch werden Mensch, Maschine und Produkt effektiv geschützt.

Für eine optimale Wirkung sollten die Bürsten die zu entladende Oberfläche leicht federnd berühren oder mit einem Abstand von 1,5 bis maximal 2 mm montiert werden. Die Ableitung erfolgt über eine separate, leitfähige Verbindung mit einem Kabelquerschnitt von mindestens 2,5 mm² direkt zur Masse. Ein Anschluss allein an das Maschinengestell ist nicht ausreichend.

Dank unterschiedlicher Profilausführungen und integrierter Langlöcher lassen sich die Bürsten einfach montieren und präzise justieren. Die wartungsfreie Konstruktion sorgt für eine lange Lebensdauer bei geringem Investitionsaufwand.


Klassische Anwendungen

  • Ableiten elektrostatischer Aufladung

  • Kunststoff- und Folienverarbeitung

  • Verpackungs- und Fördertechnik

  • Kabel- und Durchschlagsprüfungen

  • Beschichtete Metalle und empfindliche Oberflächen


Ihre Vorteile auf einen Blick

  • Zuverlässiges Neutralisieren elektrostatischer Aufladung

  • Schutz vor Funkenbildung, Explosionen und Produktionsausfällen

  • Sichere Entladung direkt am Entstehungsort

  • Kein Aufschaukeln oder Verschleppen von Ladungen

  • Höhere Sicherheit für Mensch, Maschine und Produkt

  • Einfache Montage durch verschiedene Profilvarianten

  • Leichtes Justieren über Langlöcher

  • Ideal für Durchschlagsprüfungen – selbst kleinste Poren werden erkannt

  • Wartungsfrei, langlebig und wirtschaftlich

Spezifikationen:
Körpermaterial: Aluminium (AL)
Fasermaterial: Carbonfaser
Faserfarbe: schwarz
Faserdurchmesser: 0,01
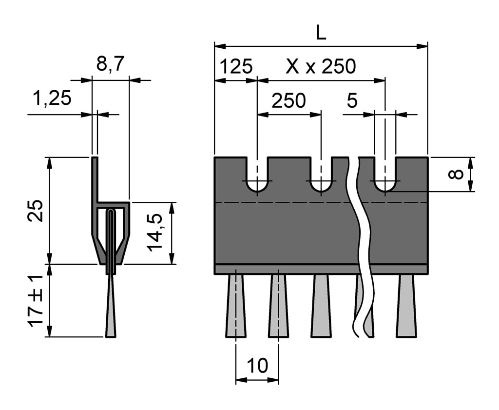
Faserhöhe (FH): 15
Leistenlänge: 1.000 mm
Langloch zur Befestigung: ja (alle 25 cm)

Herstellerinformationen:

August Mink GmbH & Co. KG
Wilhelm-Zwick-Straße 13
D-73035 Göppingen
info@mink-buersten.de

ZULETZT ANGESEHEN

DAS KÖNNTE DIR AUCH GEFALLEN